½Å¼º¾ÆÀÌ¿£Áö

Á¦Ç°¼Ò°³
À̺ÙÀ̿ͼÅ
³»Ä¡Çü(AW)
¿ÜÄ¡Çü(BW)
³»¿ÜÄ¡Çü(ABW)
¿¬Ä¡Çü(AZ)
Á¢½ÃÇü(CW)
Ư¼öÇüÀ̺ÙÀ̿ͼÅ
¸ØÃ㸵
Ãà¿ë CÇü ¸ØÃ㸵(STW)
±¸¸Û¿ë CÇü ¸ØÃ㸵(RTW)
EÇü ¸ØÃ㸵(ETW)
CÇü ¸ØÃ㸵(5103)
½ºÅ鸵
Ãà¿ë PUSH NUT(SPN)
µÕ±ÙÇü ½ºÇÇµå ³ÊÆ®(CSN)
Ãà¿ë CSÇü STOP RING(CSTW)
±¸¸Û¿ë CRÇü STOP RING(CRTW)
Á¢½Ã½ºÇÁ¸µ
°æÇÏÁß¿ë(L)
ÁßÇÏÁß¿ë(H)
ÆÄµµ¿Í¼Å
ÀϹݿë(WW)
º£¾Æ¸µ¿ë(BWW)
½ºÇÁ¸µÇÉ/Æò¿Í¼Å
¹ÚÆÇ½ºÇÁ¸µ/Æò¿Í¼Å
°í°´¼¾ÅÍ
Æ÷Æ®Æú¸®¿À
Æ÷Åä°¶·¯¸®

CÇü ¸ØÃ㸵(5103)

Á÷Á¢ Á¦ÀÛÇÔÀ¸·Î ÃÖ¼Òºñ¿ë, ÃÖ¼Ò³³±â, ¿Ïº®ÇÑ Ç°Áú·Î ´ëÀÀÇÕ´Ï´Ù.

±Ô°Ýǰ¿Ü¿¡ ¼ÒÇü ¹ÚÆÇ½ºÇÁ¸µ, °¢Á¾ ÇÁ·¹½º Á¦Ç°µîÀ» ÁÖ¹®Á¦ÀÛÇϰí ÀÖ½À´Ï´Ù.

¸ØÃ㸵

¸ØÃ㸵(SNAP RING)

  • ½º³À¸µÀº »þÇÁÆ®(Ãà)¿¡ ȨÀ» ¸¸µé¾î »ç¿ëÇÏ´Â ±â°è¿ä¼ÒºÎǰÀ¸·Î ¸ØÃ㸵 ¶Ç´Â RETAINING RING À̶ó°í ÇÑ´Ù. ¸ð¾ç ¹× ±â´É¿¡ µû¶ó ´Ù¾çÇÑ Á¾·ù°¡ ÀÖ´Ù.

  • Á¾·ù : STW, RTW, E-RING, C-RING µî

  • ÀçÁú : Ư¼ö°­, SUS304 µî

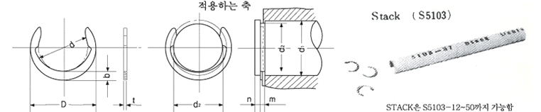
CÇü ¸ØÃ㸵(5103)

CÇü ¸ØÃ㸵(5103) CÇü ¸ØÃ㸵(5103) Ç¥

¡á ÀçÁú : ½ºÇÁ¸µ°­ ¡á °æµµ : HRC 44-52 ¡á Ç¥¸éó¸® : Zn (¹é»ö ¶Ç´Â õ¿¬»ö), Àλ꿰ÇǸ·(A,C,P)

ñ¼1. tÀº ¼ÒÀç µÎ²²ÀÓ 2. EÇü ¸ØÃ㸵°ú °°ÀÌ Stand¿Í HolderÀÇ Á¶¸³°ø±¸¸¦ °®Ãß°í ÀÖÀ½

½Å¼º¾ÆÀÌ¿£Áö »óÈ£¸í : (ÁÖ)½Å¼º¾ÆÀÌ¿£Áö | ´ëÇ¥ÀÚ : Àå°Ç»ó | »ç¾÷ÀÚµî·Ï¹øÈ£ : 140-81-54104 | E-MAIL : sswashers@hanmail.net
TEL : 031-318-7331, 031-318-7333 | FAX : 031-318-7335 | ¼ÒÀçÁö : °æ±âµµ È­¼º½Ã ¸¶µµ¸é Àý°ñ·Î 52-36
COPYRIGHT(C)2013 All Rights Reserved BY ¢ß½Å¼º¾ÆÀÌ¿£Áö